
以下是1 1线非可视直压式楼宇对讲系统的完整原理图。在这个系统中,每个家庭分机只需要两根电线连接到主机,没有极性。只有访问者调用的分机才能与主机通话并解锁。分机挂得不合适,就不会泄露隐私。如果一个家用分机短路或损坏,其他分机可以照常使用。
图4
图5
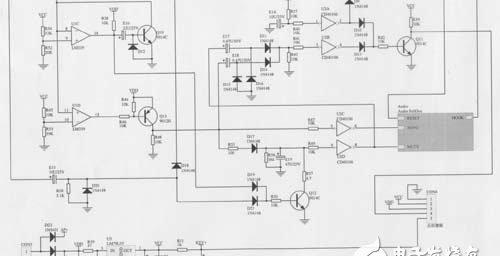
图6
图7
在图4中,六反相器CD40106的第四反相器U2D和外围电路(电阻R53、 R56、 R49、 r50,R57,电解电容E19,二极管D17、D19、D21。按键S100~S115和电阻R100 ~ R107、R116 ~ R123组成房号按键阵列。电压比较器U1C和U1D,外围电阻R54、 R52、 R45、 R55、 R38、 R46、 R44、 r48,电解电容。其中U1C是错误键检测(多键按压);U1D是正确的按键检测。逆变器U2B、外围电解电容E17、E18、二极管D11、 D14、 D15、 d16、电阻R41、R43组成两路选门脉冲产生电路,其中一路在按键时产生触发脉冲;当复位电路被复位时,另一条路径产生触发脉冲。图5中晶体管Q1、Q2和外围电阻R3、 R22、 R15、 R23、 R16、 R25、 r20,R1: 01017R20。电解电容E4、 E6、 E5、 E1、 E2和麦克风MK1构成主机电话电路中的发射电路;电阻器R21、R4、R2在呼叫电路中形成侧音消除电路;集成功率放大器U3、外围电解电容E7、 E3、 E10、 e11、电阻R5、R1、R27、微调电阻RV1组成呼叫电路中的接收电路;晶体管Q3和电阻R6在呼叫电路中形成一个静噪电路。叮咚集成块U4和外围晶体管Q5,电阻R7、R8、R10,二极管D1、D3,电解电容E23、E8组成振铃电路。图6、图7中的通用八D锁存器U100和U101,外围晶体管Q100~Q115,电阻R108-R115、R124-R131,保护二极管D100~D115组成核心家用选择电路。八维锁存器U100的Q0 ~ Q7端分别与电阻R108 ~ R115相连,电阻R108 ~ R115的另一端分别与晶体管Q100 ~ Q107的基极相连,晶体管Q100 ~ Q107的集电极和发射极分别与保护二极管D100~D107的两端并联;八维锁存器U101的Q0 ~ Q7端分别与电阻R124 ~ R131相连,电阻R124 ~ R131的另一端分别与晶体管Q108 ~ Q115的基极相连,晶体管Q108 ~ Q115的集电极和发射极分别与保护二极管D109~D115的两端并联。其中,一般的八D锁存器U100和U101(例如HC373八D锁存器)也可以采用八D触发器(HC374八D触发器)。
电压比较器U1A、外围电阻器R33、 R36、 R32、 R31、 R35、 r11和电解电容器E9构成了分机挂机检测电路。逆变器U2E、外围三极管Q4、电阻R13、R9、单刀双掷继电器RL1、保护二极管D7组成呼叫振铃选择电路;E12和R26允许主机在分机振铃时听到回铃音。晶体管Q7、外围电阻R29、R30、齐纳二极管Z1和保护二极管D2组成约23mA的电流源,为住宅分机供电。端子CON1、 CON101、 CON 102构成分机接口电路,其中CON 1为总线,连接所有分机;CON101和CON102是入户线,分别接在对应房间号的分机上。电压比较器U1B和外围电阻R33、 R36、 R32、 R31、 R35、 R34、 R24、 r19,电解E: 01018R19。
系统电源(12V DC)从CON5输入,分为两路:一路通过二极管D23提供给解锁电路;另一路由二极管D22极性保护,经电容E21、C4滤波,得到12V设备的系统电源VDD。同时,通过限流电阻R59、三端稳压芯片U5和外设C5、E22、C3,获得5V VCC电源,为户选电路的八D锁存器供电。VCC由D1、D3降压得到3.6V的电压供振铃芯片U4工作。
主机上电时,电解电容E14有一个通过电阻R37充电的过程,其电压从0V上升到VDD,通过逆变器输入保护电阻R40耦合到U2A的输入端,U2A的输出端输出一个高电平脉冲,均通过D9、R14和Q6导通,控制系统的摘机检测电路和解锁检测电路用于防止设备上电时误操作和解锁。另一条路径通过D10、 R42、 Q11、 r39产生一个锁存脉冲。因为正常开机时没有按房间号按钮,所以住户选择电路会断开所有住户分机,系统开始正常工作。
当来访者按下某个房号键时,VCC( 5V)被R51、房号键和该键对应的下拉电阻分压得到约2.5V的电压,输入到钥匙检测电路的电压比较器U1D的正输入端;因为负输入端的电压是VCC经过R4分压得到的3.97v5、 r55,U1D输出低电平,晶体管Q13导通输出12V高电平,一路给复位电路的延时电容E19充电,U2D输出低电平,Q3关断,通话电路静音解除;一路通过U2C,反相输出为低电平,Q5关断,触发U4发出“叮咚”铃声;另一方面,U2B通过E18、D14、R43输出低电平脉冲,经过Q11反相和电压转换后输出高电平脉冲到74HC373,触发D锁存器。目前只有客人按下按键的D锁存器处于高电平,其他D锁存器的输入都处于低电平,所以只有当前按键的D锁存器输出高电平。
家用分机接通时,由于分机挂机,分机音频总线上的电压大于9.2V,经电阻R33、R36分压,经E9滤波后输入到挂机检测电路的电压比较器U1A的正输入端(大于3.8V);负输入端通过电阻R32、R31、R35对VCC( 5V)进行分压得到3.7V左右的电压,U1A输出高电平,经U2E反相后关断,呼叫和振铃选择电路的RL1接音频总线。来自U4的铃音经过U3放大后,一路输出到音频总线,推动分机扬声器响铃,提示用户有访客。另一方面,通过R26衰减到主机的扬声器发出轻微的回铃音,表明访客正在呼叫住户。请稍等片刻。
居民听到铃声就摘机通话,音频总线上的电压大约为6V。摘机检测电路U1A输出低电平,一路通过U2F反相后输出高电平,使Q5始终导通,防止通话后再次振铃。另一路通过U2E输出高电平,Q4导通,RL1导通到主机扬声器,进入通话。主持人的麦克风MK1拾取来宾的声音,通过E6耦合Q1放大,然后通过E5放大后在Q2的C、E两极输出两个相位相反的信号。其中C极的一个信号直接送到音频总线,通过E1、E2送到门控分机;另一个信号通过电阻R21、R4、R2组成的侧音抵消电路与E极的反相信号叠加,相互抵消,防止主机接收电路放大引起的自激啸叫。来自住宅分机的信号通过E1、 E2、 r 21、 r4、 E7、 R5到达微调电阻RV1,然后由功率放大器U3放大,由E11、E1010-3115 R5放大。
住户确认访客,按开锁键给客人开锁。音频总线上的电压小于4V,开锁检测电路U1B输出低电平,使Q8、Q9通过E13充电开启,12V电源开启电锁。E13约2秒充满电,Q8、Q9关闭,防止家用开锁钥匙短路烧坏电锁。D6为E13放电二极管,R19用于平时更好的关断Q8、Q9,D8用于防止电锁反电动势击穿Q8、Q9。
通话结束后,住宅分机挂机,摘机检测电路U1A输出高电平,一路通过U2E,Q4关断,RL1复位;另一路通过E15、R58组成的差分电路产生高电平脉冲,触发Q12导通,将E19上储存的电放出,U2D变为高电平,使Q3导通,使主机通信电路静音,同时在跳时通过E17、 D11、 R41、。因为目前没有按键,所以房间号的所有分机都被切断。整个装置复位,等待下一次操作。如果住宅分机在通话后没有挂机,E19上存储的电将通过R56放电。当E19上的电压变为低电平时,U2D翻转输出高电平,整个装置复位。E19的放电时间,即最大允许呼叫时间,可以通过改变E19和R56的值来调整。
当按下一个以上的房号键时,按键错误检测电路的电压比较器U1C的负输入电压将小于正输入电压(VCC除以R54、R52得到的1.88V),U1C将输出高电平,各路由E16充电使Q10导通,从而将当前按键按下的所有D锁存器的输入端拉低至低电平;另一种方法,通过D19、R50,Q12导通,将E19中储存的电放出,U2D翻转输出高电平,使整个器件复位。这样可以避免多户分机同时接通、振铃、通话。
图八
在图8中,电阻器R1、电解电容器E1和E2构成了分机振铃的DC负载电路。二极管D1-D4构成电话分机电路的引导桥电路;晶体管Q1、Q2和外围电阻R3、 R6、 R9、 R16、 R17、 R2、电容C2、C5、电解电容e:电阻R7、R15组成呼叫电路的侧音抵消电路;晶体管Q3、Q4,电阻R19、R20,电阻R10、R18、R8,电容C1和保护二极管D5组成呼叫电路的接收电路。
分机门控时,主机发出的振铃信号通过FSW1叉簧开关和振铃DC负载电路直接作用于扬声器SP1两端,推动SP1发出振铃音提醒居民。因为E1、E2构成非极性电容,所以不管分机的两条母线极性如何,都能正常响铃。D5起到保护晶体管Q3的作用。
分机摘机后,主机的音频信号通过FSW1叉簧开关、D1 ~ D4引至桥接电路,与R7、E3耦合,经Q4、Q3的接收电路放大推动扬声器SP1发声;居民的声音由麦克风MK1拾取,经R9和C2耦合,经Q1、Q2发射电路放大,再经铅桥电路和叉簧开关输出到母线上。因为有D1 ~ D4的引导桥,分机可以正常通话,不管分机两条总线的极性如何。
在市场上的两线无极非可视分机中,在总线输入端增加了一个由四个二极管组成的引导桥电路,信号先通过引导桥电路进来,再由叉簧开关控制振铃电路或呼叫电路。这样分机的振铃信号会先被引到桥接电路进行衰减,分机的振铃音量也会降低,有时会造成居民错过振铃音,错过客人。但这种扩展电路只使用了叉簧开关后的铅桥,不影响振铃电路,不衰减振铃音量。经实测,在不增加成本的情况下,可使分机振铃音提高1 ~ 4 dB。
该电路设计已获得国家实用新型专利,并授权厦门宇成科技有限公司生产。经过一年多的现场安装使用,证明该系统从黑龙江省严冬零下30度到海南省夏季40多度都能稳定可靠地工作,必将推动技术先进的1 1线楼宇对讲系统在我国的进一步普及。









