
3296w电位计
电位器性能:电阻范围(欧姆):10 ~ 2m。
电阻偏差:10%
电阻变化的特征:b
终端电阻: 1% r或2
接触电阻变化: 3% r或3
绝缘电阻:R11g
耐压:101.3Kpa 600V,8.5Kpa 250V
有效电动行程:252圈
环境特性:额定功率(最大工作电压300 V): 70 0.25 W,125 ow。
工作温度范围:-55 ~ 125
温度系数:200 ppm/
温度变化: R 2% R, (UAB/UAC) R 2%。
碰撞:390m/s2,4000次, R 2% R。
振动:10~500Hz,0.75mm或98m/s,6h r 1% r, (UAB/UAC) 2%。
气候序列: R 3% R,R1 100m 70电耐久性:0.5W,1000h R 3% R
机械耐久性:50次循环, r 3% r
稳态湿热: R 3% R,R1 100 m。
物理特性:总机械性能:282转。
启动扭矩: 36 mnm
停止扭矩: 36 mnm
标准包装:50支/管
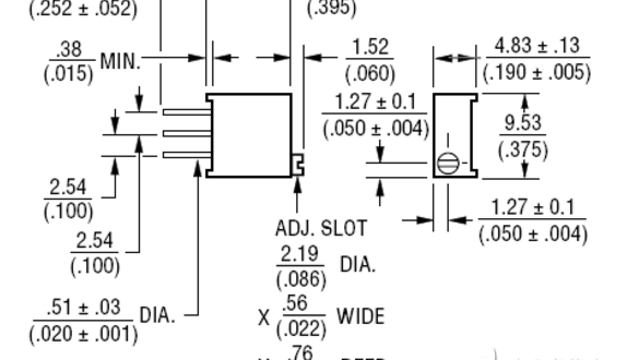
3296w电位计的封装尺寸









