
模拟滤波器广泛应用于电子信号合成系统中,可以为ADC提供抗混叠和降噪,为DAC提供信号重构滤波。不同的设计要求需要不同的滤波器架构,常用的滤波器有贝塞尔、巴特沃兹、椭圆滤波器等。
贝塞尔低通滤波器具有线性相位响应,通带无纹波,阻带单调衰减,适合时域应用。巴特沃兹低通滤波器在通带内具有最平坦的频率响应,阻带的单调衰减比贝塞尔滤波器更陡峭,但相位响应随频率非线性变化,这使得巴特沃兹低通滤波器非常适合基于幅度的应用。椭圆低通滤波器具有近乎平坦的通带响应和极其陡峭的阻带衰减,是基于幅度的抗混叠应用的最佳选择。
连续时间有源滤波器的设计和实现非常具有挑战性,需要使用多个高性能运算放大器和高精度无源器件。设计挑战包括如何选择最佳滤波器架构,以及需要使用特殊的滤波器计算软件。另一个简单的方法是使用高度集成的SCF(开关电容滤波器),这样可以大大减少外围器件的数量,使滤波器调谐非常简单,降低系统功耗。本文通过分析连续时间滤波器和SCF的实现方式,说明了它们在性能和复杂度上的差异。
如上所述,贝塞尔滤波器的特性使其非常适合时域应用,因为它们在示波器/分析仪等测试应用中失真很小。但设计人员通常需要构建更高阶的贝塞尔滤波器(这意味着比巴特沃兹或椭圆滤波器更多的极点),以实现足够的阻带衰减。
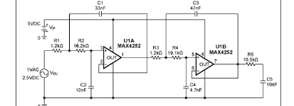
图1所示原理图是一个5阶1.0kHz低通贝塞尔滤波器。该设计基于Sallen-Key架构。为了减少元件数量,使用精度为1%的标准电阻和精度为5%的标准电容。为了确定外围元件的值,使用滤波器设计软件FilterPro,并通过PSPICE仿真工具进行验证。
图一。一个5阶1.0kHz低通贝塞尔滤波器,由两个运算放大器和多个无源元件组成。
许多情况下,输入和输出RC滤波器需要额外的运算放大器进行缓冲,尤其是当信号源的阻抗较高(超过数百)或滤波器输出的下一个输入阻抗过低(小于数百k)时。
贝塞尔滤波器的SPICE仿真结果如图2所示,频率响应图是同一滤波器的100次蒙特卡洛仿真结果。SPICE simulator通过在标称容差范围内随机改变外围器件的值来模拟器件的差异。仿真结果显示,截止频率将在FC=FIN-3dB0.6 db的范围内变化,这是由标称容差内的电容和电阻的变化引起的。
图2.5贝塞尔滤波器的SPICE仿真频率响应结果
为了在1kHz至15kHz的截止频率范围内获得可接受的特性(80dB或更好的动态范围),设计人员必须使用具有更严格容差和更高温度稳定性的元件。例如:
对于截止频率为1kHz至15kHz的滤波器,运算放大器在0.5MHz至6.5MHz范围内必须具有一致的增益,THD N(总谐波失真噪声)必须小于0.005%。
电容器应该是精密的陶瓷电容器或薄膜电容器,并且必须能够在很宽的温度范围和电压范围内保持稳定的标称值。
电阻应该是容差优于1%的金属膜电阻,并且还应该具有低的温度系数。
为了保证大规模生产的性能,最好从可靠的供应商处购买元件,如松下、罗门、威盛、凯迈特和AVX。
截止频率为1kHz到15kHz的五阶贝塞尔低通滤波器的BOM成本估计在1.50美元到2.00美元之间(1000套以上)。这还不包括设计、测试、PCB布局、组装、元件采购等的时间成本。这些成本很难量化,与公司有关。
Maxim提供了更有效、更简单的集成开关电容滤波器解决方案,可以用一个芯片实现大部分滤波效果(应用笔记733:“AfilterPrimer”介绍了更多关于SCF的技术细节)。滤波器设计者只需要一个低成本的外部电容或外部时钟,就可以得到一个集成的、可靠的、可预测的高性价比滤波器方案,而且不易受温度等环境参数的影响。
图3和图4是用SCF芯片(MAX7409/MAX7413)实现的五阶低通贝塞尔滤波器的电路原理图。0.1 F去耦电容可以使用普通低成本陶瓷电容(X7R或Z5U),但建议图4中的CCLK使用COG(NPO)电容。
图3。开关电容滤波器的fC(截止频率)可以通过占空比为50%10%的时钟来实现。
图4。用开关电容滤波器的内部振荡器设置fC需要在CLK引脚和地之间有一个电容CCLK。当CCLK=300pF时,fC=1kHz。
仿真和测试结果(如图5所示)表明,基于MAX7409/MAX7413的开关电容滤波器的变化优于基于运算放大器的连续时间滤波器。开关电容滤波器的另一个优点是易于调谐。截止频率可以通过内部或外部时钟进行调整。对于基于运算放大器的连续时间滤波器,改变截止频率几乎相当于重新设计滤波器。
图5。在整个温度和电压范围内,FC=FIN时开关电容滤波器的通带变化仅为-3dB0.4 db。编辑:CC









