
DC 12V电机速度控制电路
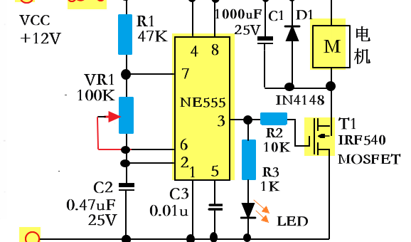
该电路可用于控制汽车中12V直流风扇的速度。电路的主要元件是555定时器,接入振荡器工作模式。振荡器的输出连接到场效应晶体管IRF540(T1),风扇连接在T1的漏极D和电池的正极之间。C1连接在风扇的两端,以稳定转速。二极管D1用于保护T1免受反电动势的影响。具有2A容量的保险丝保护电路过载。
电位计VR1可以改变振荡器输出波形的占空比,从而改变风扇的速度。如果风扇速度的低速和高速范围太小,可以增加和减少C2(0.47F)的值来降低/增加风扇速度。
12V风扇速度控制电路:
电路图功能:
本例电路采用555定时器芯片,可以实现风扇的调速功能。
电路图说明:
在该电路中,555芯片用作典型的多谐振荡器。发光二极管D2是风扇运行指示二极管,当风扇工作时,二极管D2点亮。
NMOS晶体管Q1是风扇电机的开关管,B1是风扇电机。二极管D1是风扇电机的泄放二极管,用于防止Q1被反向电动势击穿。电容C1是电源的滤波电容,具有稳定转速的作用。
当电路通电时,555多谐振荡器工作,三个引脚输出方波。通过调节电阻R2,可以改变输出方波的占空比,从而改变Q1的导通时间和关断时间,改变电机的平均工作电压,从而改变转速。
渲染演示,车辆用12V风扇:
审计唐子红









